浙江2011年4月自考塑料成型工藝與模具設計試題


浙江省2011年4月高等教育自學考試
塑料成型工藝與模具設計試題
課程代碼:02220
一、填空題(本大題共7小題,每空1分,共20分)
請在每小題的空格中填上正確答案。錯填、不填均無分。
1.熱塑性塑料在成型過程中存在______、______和______。
2.塑料改性最主要的方法有______和______兩種。
3.注射成型工藝過程包括______、______和______的后處理三個階段。
4.精密塑料制品對注射成型工藝的要求是______、______和______。
5.常見的擠出機頭按機頭結構形式可分為______、______、______等。
6.塑料模具中,按結構推出機構主要有______、______、______三種。
7.塑料模澆注系統(tǒng)由______、______、______和冷料井組成。
二、名詞解釋(本大題共5小題,每小題3分,共15分)
1.分型面轉自環(huán) 球 網 校edu24ol.com
2.塑化壓力
3.吹脹比
4.PC――
ABS――
PSF――
5.鎖模力
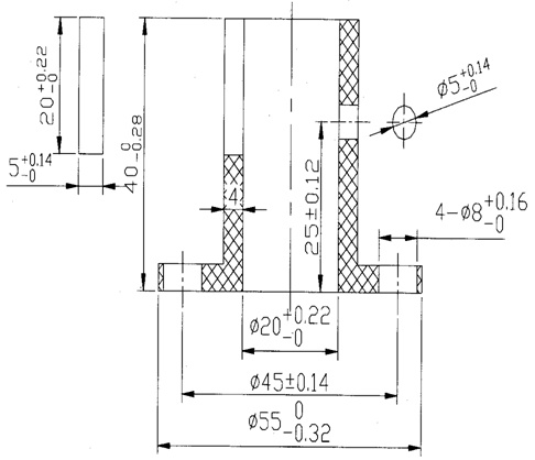
三、計算題(本大題10分)
如圖所示,求該成型零件工作尺寸。
四、簡答題(本大題共3小題,每小題10分,共30分)
1.簡述熱固性塑料和熱塑性塑料的特點。
2.什么是側抽芯機構復位時的干涉現象,避免復位時干涉的方法有哪些?
3.單分型面注射模和雙分型面注射模在結構上的主要區(qū)別是什么?
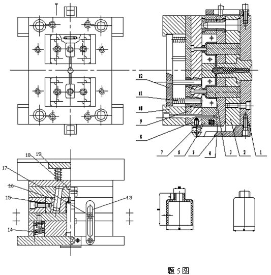
五、綜合題(看塑料模具總裝圖)。(本大題共4小題,共25分)
1.寫出圖中所示10個零件的名稱。(每個1分,共10分)
2.模具采用何種澆口形式?(3分)
3.模具有幾個分型面?(4分)
4.敘述模具工作原理。(8分)
最新資訊
- 每日一練!2025年10月自考《習概》名詞解釋、簡答題真題練習(10.10)2025-10-10
- 重點復習!2025年10月自考《中國古代文學史一》高頻考點+歷年真題2025-10-10
- 免費領?。?025年10月自學考試公共課+專業(yè)課近3年真題及答案匯總2025-10-09
- 每日一練!2025年10月自考《思修》簡答題、論述題真題(10.9)2025-10-09
- 收藏!2025年10月自考《中國近代史綱要》選擇題必背考點2025-10-05
- 2025年10月自學考試:《習概》簡答題真題訓練2025-10-02
- 每日一練!2025年10月自學考試《習概》歷年真題及答案解析(9.30)2025-09-30
- 免費領??!2025年10月自學考試《毛概》近3年真題及答案匯總2025-09-27
- 重點!備考2025年10月自考,歷年真題哪里找?2025-09-23
- 每日一練!2025年10月自學考試《習概》歷年真題及答案解析(8.17)2025-08-17